轴销式荷重传感器HZCX型

HZC-3X系列轴销荷重传感器 , 具有结构合理、紧凑、精度高、稳定好、安装更换方便等特点。其各项技术指标已达到发达国家同类产品的先进水平。特别适合安装在轴孔内,代替原有轴功能,又能起到称重测力传感器的作用。广泛应用于各种闸门的重量检测等场合。

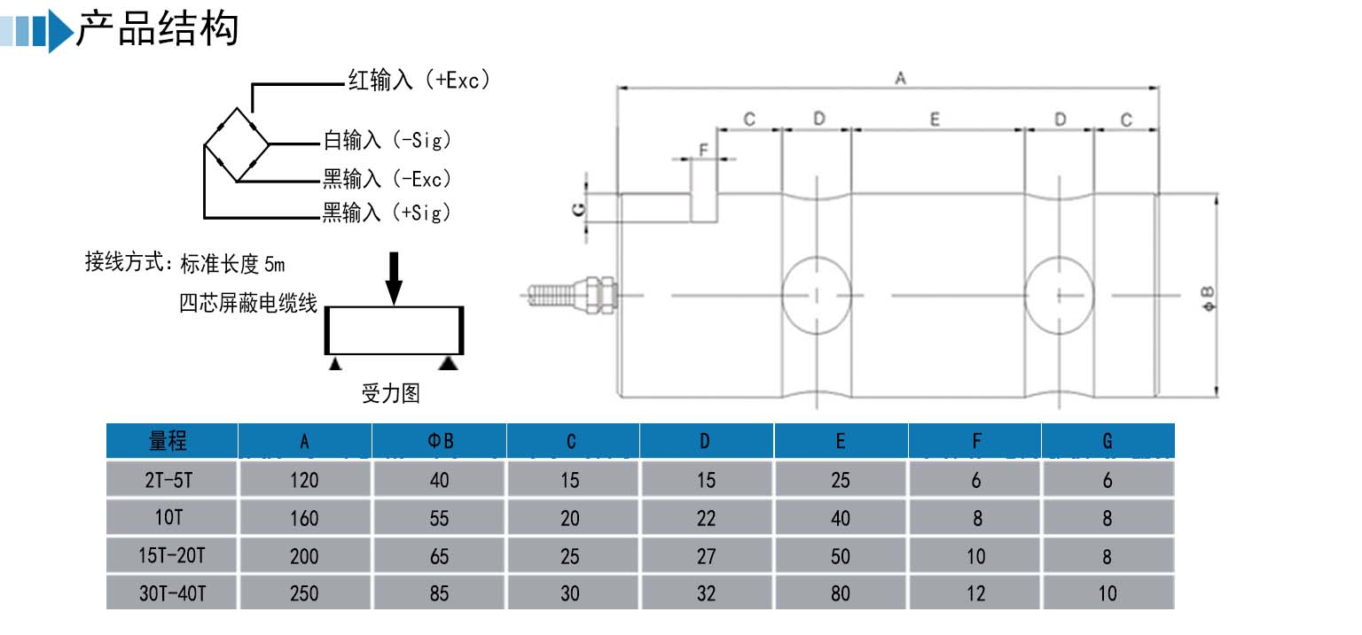
 荷重传感器是由粘贴在弹性体上的电阻应变片组成的特殊形状的结构件。传感器受力,弹性体形状发生变化,使附着在弹性体上应变片阻值发生变化,当在HV+、HV-输入恒定的桥压时,HS+、HS-输出信号与应变片阻值R1、R2、R3、R4相关联,从而完成信号的转换。配以相应的变送器,即可以将荷重传感器以mV信号输出变换为4-20mA标准模拟量或RS485串行通讯接口信号。

轴销荷重传感器

轴销荷重传感器



轴销荷重传感器